Metric Fine Pitch Thread
DIN 961 / ISO 8676 / EN 28676
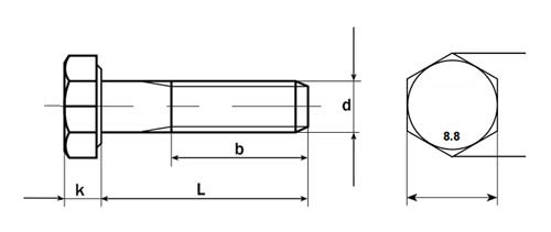
• Steel Grades: 8.8, 10.9
• Finish: Self, Black, Bright Zinc, Hot Dip Galvanized
| dxP | M8x1 | M10x1 | M12x1.25 | M14x1.5 | M16x1.5 | M18x1.5 | M20x1.5 |
| M10x1.25 | M12x1.5 | M18x2 | M20x2 | ||||
| k | 5.3 | 6.4 | 7.5 | 8.8 | 10 | 11.5 | 12.5 |
| s | 13 | 17/16* | 19/18* | 22/21* | 24 | 27 | 30 |
| L | WEIGHT IN KG/1000 PCS | ||||||
| 8 | 8.60 | 16.70 | |||||
| 10 | 9.30 | 17.80 | 25.50 | 38.80 | |||
| 12 | 9.90 | 18.90 | 27.00 | 40.90 | 55.10 | ||
| 14 | 10.60 | 19.90 | 28.50 | 43.00 | 57.90 | ||
| 16 | 11.30 | 21.00 | 30.00 | 45.10 | 60.70 | ||
| 18 | 11.90 | 22.10 | 31.50 | 47.20 | 63.40 | 86.60 | 115.00 |
| 20 | 12.60 | 23.20 | 33.00 | 49.30 | 66.20 | 90.00 | 119.00 |
| 22 | 13.20 | 24.20 | 34.50 | 51.30 | 69.00 | 93.40 | 124.00 |
| 25 | 14.20 | 25.80 | 36.70 | 54.40 | 73.20 | 98.60 | 131.00 |
| 28 | 15.20 | 27.40 | 39.00 | 57.60 | 77.30 | 104.00 | 137.00 |
| 30 | 15.90 | 28.50 | 40.50 | 59.70 | 80.10 | 107.00 | 141.00 |
| 35 | 17.60 | 31.20 | 44.20 | 64.90 | 87.10 | 116.00 | 152.00 |
| 40 | 19.20 | 33.90 | 48.00 | 70.20 | 94.00 | 124.00 | 163.00 |
| 45 | 20.90 | 36.60 | 51.70 | 75.40 | 101.00 | 133.00 | 174.00 |
| 50 | 22.60 | 39.30 | 55.50 | 80.60 | 108.00 | 141.00 | 186.00 |
| 55 | 24.20 | 42.00 | 59.20 | 85.80 | 115.00 | 150.00 | 197.00 |
| 60 | 25.90 | 44.70 | 63.00 | 91.10 | 122.00 | 159.00 | 208.00 |
| 65 | 27.60 | 47.40 | 66.70 | 96.30 | 129.00 | 167.00 | 219.00 |
| 70 | 29.20 | 50.00 | 70.50 | 102.00 | 136.00 | 176.00 | 230.00 |
| 75 | 30.90 | 52.70 | 74.20 | 107.00 | 143.00 | 184.00 | 241.00 |
| 80 | 32.50 | 55.40 | 78.00 | 112.00 | 150.00 | 193.00 | 253.00 |
| 85 | 34.20 | 58.10 | 81.70 | 117.00 | 157.00 | 202.00 | 264.00 |
| 90 | 35.90 | 60.80 | 85.40 | 122.00 | 164.00 | 210.00 | 275.00 |
| 95 | 37.50 | 63.50 | 89.20 | 128.00 | 171.00 | 219.00 | 286.00 |
| 100 | 39.20 | 66.20 | 92.90 | 133.00 | 177.00 | 227.00 | 297.00 |
| 110 | 42.50 | 71.60 | 100.00 | 143.00 | 191.00 | 244.00 | 319.00 |
| 120 | 45.90 | 77.00 | 108.00 | 154.00 | 205.00 | 261.00 | 342.00 |
| 130 | 82.40 | 115.00 | 164.00 | 219.00 | 279.00 | 364.00 | |
| 140 | 87.70 | 123.00 | 175.00 | 233.00 | 296.00 | 386.00 | |
| 150 | 93.10 | 130.00 | 185.00 | 247.00 | 313.00 | 409.00 | |
| 160 | 138.00 | 196.00 | 260.00 | 330.00 | 431.00 | ||
| 170 | 145.00 | 206.00 | 274.00 | 347.00 | 453.00 | ||
| 180 | 153.00 | 217.00 | 288.00 | 365.00 | 475.00 | ||
| 190 | 227.00 | 302.00 | 382.00 | 498.00 | |||
| 200 | 238.00 | 316.00 | 399.00 | 520.00 | |||
All data for information purpose only. For more details on product standards or dimensions, please feel free to contact us at info@fastenersindia.in
Copyright © GS International, All Right Reserved.
Designed By Phoenix Creation